首 页
产品展示
成功案例
下载中心
联系我们
导航列表
驱动下载
软件下载
技术资料
代码提供
说明书
规格书
产品3D模型
产品推荐
壁挂式大功率A款
自定义型RS485控制闪光警示信号灯
联系我们
地 址:福建省莆田市新梅路13号
电 话:13859880006(微信同号)
传 真:0594-2698212
邮 箱:5852420@qq.com
联系人:李小姐
您现在的位置:
网站首页
>
下载中心
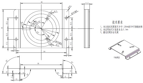
M型支架3D模型
销售服务
技术支持